
The S20 series piezo rotation stage with a diameter of 20mm central aperture, features compact size, a maximum rotation angle of 0.5mrad and repeatability of 0.2% F.S..
Characteristics

|
|
|
|
|
|
|
|
|
|
|
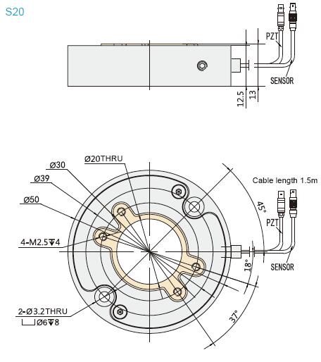
Appearance
|
Positioning Accuracy
|
Short Step Time
|
|
Large Load Capacity Suited for Precision Machining S20 has a maximum rotation angle of 0.5mrad. The excellent hinge guiding mechanism design has a load capacity of up to 4kg and high stability. It is very suitable for applications like scientific and industrial precision operation, optical path adjustment, etc. |
Frequency and Load Curve
|
Applications

|
|
|
|
|
| Technical data | ||||
|
Models |
S - closed loop K - open loop |
S20.R0S |
S20.R0K |
Units |
|
Active axis |
θz |
θz |
|
|
|
Drive control |
1 driving channel 1 sensing channel |
1 driving channel |
|
|
|
Rotation angle(0~+120V) |
0.4(≈80") |
0.4(≈80") |
mrad±20% |
|
|
Rotation angle(0~+150V) |
0.5(≈110") |
0.5(≈110") |
mrad±20% |
|
|
Sensor type |
SGS |
- |
|
|
|
Resolution |
0.02(<0.01") |
0.01(<0.01") |
μrad |
|
|
Closed-loop linearity |
0.5 |
- |
%F.S. |
|
|
Closed-loop repeatability |
0.2 |
- |
%F.S. |
|
|
Push/pull force |
50/10 |
50/10 |
N |
|
|
Stiffness in motion direction |
5 |
5 |
N/μm±20% |
|
|
Unloaded resonant frequency |
3.5 |
3.5 |
kHz±20% |
|
|
Unloaded step time |
8 |
0.7 |
ms±20% |
|
|
Load capacity |
4 |
4 |
kg |
|
|
El.capacitance |
1.6 |
1.6 |
μF±20% |
|
|
Material |
Steel |
Steel |
|
|
|
Mass |
140 |
140 |
g±5% |
|
Note: Above parameters are measured with the E00/E01 series piezo controller. The maximum driving voltage can be -20V~150V; for high reliability long-term use, the recommended driving voltage is 0~120V.
|
|
||||||||||||
|

