
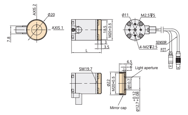
The S38-C piezo tip tilt platform is a θx, θy two-dimensional deflection piezo fast steering mirror. It is equipped with a lens mounting cap and is small in size and easy to integrate. It can be integrated into a cage structure with a right-angle adapter.
Characteristics

|
|
|
|
|
Application

|
|
|
|
|
| Technical Data | |||
|
Type |
S38.T1S-C S38.T1K-C |
S38.T2S-C S38.T2K-C |
Units |
|
Active axis |
θx, θy |
θx, θy |
|
|
Drive control |
3 driving channels 2 sensing channels |
3 driving channels 2 sensing channels |
|
|
Tilt angle(0~100V) |
1 or ±0.5(≈±103") |
2 or ±1(≈±206") |
mrad±10% |
|
Max.tilt angle(0~120V) |
1.2 or ±0.6(≈±123") |
2.4 or ±1.2(≈±247") |
mrad±10% |
|
Integrated sensor |
SGS/- |
SGS/- |
|
|
Resolution |
0.03(<0.01″) /0.01(<0.01″)
|
0.07(≈0.01″) /0.02(<0.01″)
|
μrad |
|
Closed-loop linearity |
0.3/- |
0.4/- |
%F.S. |
|
Closed-loop repeatability |
0.1/- |
0.2/- |
%F.S. |
|
Unloaded resonant frequency |
7000 |
2000 |
Hz±20% |
|
El. capacitance |
1.6 |
3.6 |
μF/axis±20% |
|
Material |
Steel, bronze |
Steel, bronze |
|
|
Mass |
50 (Not include cable) |
60 (Not include cable) |
g±5% |
Note: The above parameters are measured using E00/E01 piezo controllers. The max driving voltage can be -20~150V; For high reliability and long-term operation, the recommended driving voltage is 0~120V.
|
|
|||||||||||||||||
|
|

