
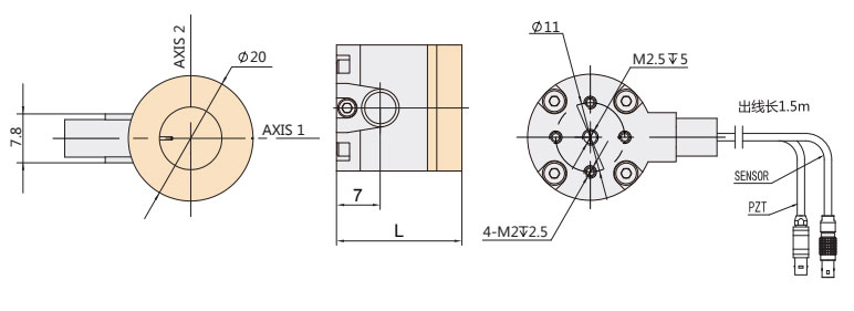
产品特点

|
|
|
|
|
| 技术参数 | |||
|
型号 |
S38.T1S/K |
S38.T2S/K |
单位 |
|
运动自由度 |
θx、θy |
θx、θy |
|
|
驱动控制 |
3 路驱动 |
3 路驱动 |
|
|
标称偏转范围(0~100V) |
1或±0.5(≈±103秒) |
2或±1(≈±206秒) |
mrad±10% |
|
偏转范围(0~120V) |
1.2或±0.6(≈±123秒) |
2.4或±1.2(≈±247秒) |
mrad±10% |
|
传感器类型 |
SGS/- |
SGS/- |
|
|
闭/开环分辨率 |
0.03(<0.01秒)/0.01(<0.01秒) |
0.07(≈0.01秒)/0.02(<0.01秒) |
μrad |
|
闭环线性度 |
0.3/- |
0.4/- |
%F.S |
|
闭环重复定位精度 |
0.1/- |
0.2/- |
%F.S |
|
空载谐振频率 |
7000 |
2000 |
Hz±20% |
|
闭环工作频率(-3dB) |
400(负载26.7g) |
- |
Hz±20% |
|
静电容量 |
1.6 |
3.6 |
μF/轴±20% |
|
材质 |
钢、铜 |
钢、铜 |
|
|
重量 |
50(不含线) |
60(不含线) |
g±5% |
|
角位移与电压曲线 |
|
||
|
线性度曲线 |
|
||
|
|
|||||||||||||||||
应用案例

|
跟踪、稳像
|
笼式结构
|
快速激光束偏转及扫描
|
|
变形镜
|
激光稳定系统
|
激光加工
|


