
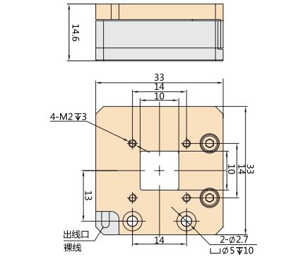
P13A 系 列 压 电 纳 米 定 位 台 是 专 为 极 低 温、 强 磁 场 环境而研发设计,采用低温压电驱动,外壳采用轻型材 料。P13A 为 XY 二维扫描运动,它的体积小巧,尺寸仅 33×33×14.6mm,中心具有 10×10mm 通孔。所有组件均 采用低温强磁兼容版本,以保证其在低温强磁下的性能。
产品特点

|
|
|
|
|
|
|
|
|
|
| 技术参数 | ||||||||
|
型号 |
P13A.XY90K |
P13A.XYZ80K |
P13A.XY180K |
单位 |
||||
|
使用温度 |
常温 |
4K |
常温 |
4K |
常温 |
4K |
|
|
|
运动方向 |
X、Y |
X、Y |
X、Y、Z |
X、Y、Z |
X、Y |
X、Y |
|
|
|
驱动控制 |
2路驱动 |
2路驱动 |
3路驱动 |
3路驱动 |
2路驱动 |
2路驱动 |
|
|
|
驱动源 |
压电堆栈 |
压电堆栈 |
压电堆栈 |
压电堆栈 |
压电堆栈 |
压电堆栈 |
|
|
|
标称行程范围 |
90 (0~60V) |
30(0~150V) |
80(0~60V) |
25(0~150V) |
180(0~60V) |
80(0~150V) |
μm±20% |
|
|
开环分辨率 |
1 |
0.3 |
1 |
0.3 |
2 |
1 |
nm |
|
|
空载谐振频率 |
450 |
450 |
350 |
350 |
- |
- |
Hz±20% |
|
|
带载150g谐频 |
160 |
160 |
- |
- |
- |
- |
Hz±20% |
|
|
静电容量 |
5.5/轴 |
0.75/轴 |
XY5.5、Z11 |
XY0.75、Z1.5 |
12.1/轴 |
1.65/轴 |
μF±20% |
|
|
主体材料 |
不锈钢 |
钛 |
不锈钢 |
钛 |
不锈钢 |
钛 |
|
|
|
线缆 |
常温线 |
磷铜双绞线 |
常温线 |
磷铜双绞线 |
常温线 |
磷铜双绞线 |
|
|
|
工作环境 |
-20~80 |
低温4K强磁场30T,超高真空2E-11mbar |
-20~80 |
低温4K强磁场30T,超高真空2E-11mbar |
-20~80 |
低温4K强磁场30T,超高真空2E-11mbar |
|
|
|
承载能力 |
水平安装 |
0.15 |
0.15 |
0.2 |
0.2 |
0.2 |
0.2 |
kg |
| 立式安装 | 0.1 | 0.1 | 0.05 | 0.05 | 0.05 | 0.05 | ||
| 倒置安装 | 0.15 | 0.15 | 0.05 | 0.05 | 0.05 | 0.05 | ||
|
重量 |
88 |
88 |
168 |
168 |
- |
- |
g±5% |
|
| 安装方向 |
水平安装 |
立式安装 |
倒置安装 |
| 释义 |
将PZT平台水平放置安装,运动面位于PZT
平台的上方,运动面与水平面平行。 PS:参数表中承载能力默认方向 |
将PZT平台立式放置安装,运动面与重力方向平行 PS:存在多种立式安装方式,技术参数对应最低承载 |
将PZT平台水平放置,但运动面位于定位台的下方 |
| 示意图 |
![]() |
![]() |
![]() |
| 备注 |
当安装方式选择为立式安装时,需注意出线口 |
||
|
|
|
|
|
|
||||||||||||||||||||||
应用案例

|
笼式结构
|
低温真空
|
纳米压印
|
|
超分辨率显微成像
|
红外超分辨率成像
|
激光直写
|
|
提高CCD分辨率
|
干涉测量
|
显微镜探针校准
|
|
纳米光刻
|


