
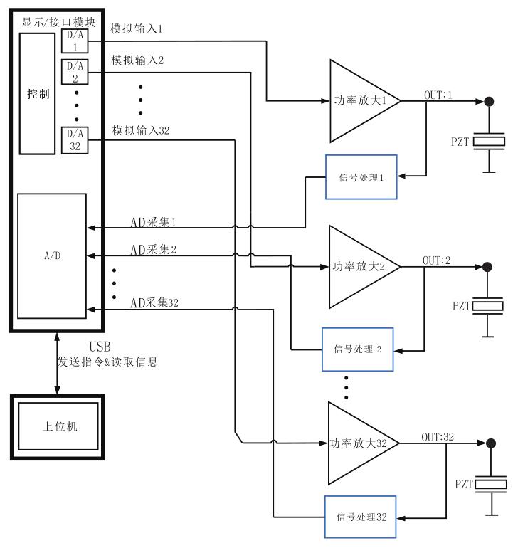
32 通道 E82.C32K-H机箱式压电控制器,具有 USB 通信接口,实现与上位机的实时通信。可通过上位机控制32路电压输出,并通过AD读取实时电压,支持上位机软件二次开发。上位机通信软件可设置电压参数。
产品特点

|
|
|
|
|
|
|
|
|
|
|
前面板
|
前面板介绍
|
|
后面板
|
后面板介绍
|
|
原理框图
|
| 技术参数 | |
|
型号 |
E82.C32K-H |
|
通道数 |
32 |
|
功能 |
压电控制器 |
|
输出电压范围(V) |
-20~100 |
|
通信接口 |
USB-B |
|
峰值电流(mA) |
170/通道 |
|
平均电流(mA) |
13/通道 |
|
放大器带宽(Hz) |
1k/通道 |
|
输出纹波电压(mVpp) |
10/通道 |
|
工作温度范围(℃) |
0~50 |
|
供电电源 |
220VAC |
|
PZT输出连接器 |
DB37 |
|
尺寸(mm) |
280×370×175 |
|
重量(kg) |
12 |
|
|
||||||||||||


