
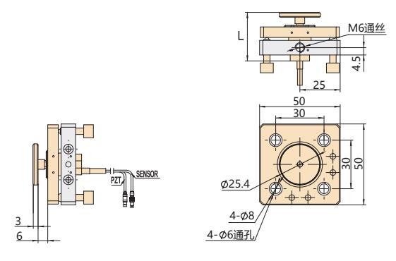
M14集成镜架压电促动器是专为光学笼式结构应用而设计,可直接安装于笼式结构中。M14集成镜架压电促动器是将压电促动器集成到一个手调二维镜片调节架中,其中镜片可粘贴在压电促动器移动端的镜片座表面。先通过二维镜片调节架对镜片的朝向进行手动调节,调节至适当位置后,再通过电信号控制直线压电促动器进行纳米精度的直线运动。该压电促动器具有多种型号,可在多种位移间进行选择。
产品特点

|
|
|
|
|
|
|
|
|
|
产品应用

|
|
|
|
|
|
|
|
|
|
| 技术参数 | |||||||||
|
型号 |
L [mm]±0.3 |
传感器 |
标称行程范围* [μm]±10% |
刚度 [N/μm]±20% |
推/拉力 [N] |
静电容量 [μF]±10% |
谐振频率 [kHz]±20% |
重量 |
STEP |
|
M14S7T50 |
30 |
SGS |
9 |
120 |
1200/200 |
0.7 |
40 |
138 |
|
|
M14K7T50 |
30 |
- |
9 |
120 |
1200/200 |
0.7 |
40 |
138 |
- |
|
M14S20T50 |
39 |
SGS |
19 |
60 |
1200/200 |
1.8 |
30 |
162 |
- |
|
M14K20T50 |
39 |
- |
19 |
60 |
1200/200 |
1.8 |
30 |
162 |
- |
|
M14S40T50 |
57 |
SGS |
38 |
25 |
1200/200 |
3.6 |
20 |
- |
- |
|
M14K40T50 |
57 |
- |
38 |
25 |
1200/200 |
3.6 |
20 |
- |
- |
|
M14S60T50 |
75 |
SGS |
57 |
15 |
1200/200 |
5.4 |
15 |
- |
- |
|
M14K60T50 |
75 |
- |
57 |
15 |
1200/200 |
5.4 |
15 |
- |
- |
|
M14S80T50 |
93 |
SGS |
76 |
12 |
1200/200 |
7.2 |
12 |
- |
- |
|
M14K80T50 |
93 |
- |
76 |
12 |
1200/200 |
7.2 |
12 |
- |
- |
|
M14S100T50 |
111 |
SGS |
95 |
10 |
1200/200 |
9 |
10 |
- |
- |
|
M14K100T50 |
111 |
- |
95 |
10 |
1200/200 |
9 |
10 |
- |
- |
|
M14S120T50 |
129 |
SGS |
114 |
8 |
1200/200 |
11 |
8 |
- |
- |
|
M14K120T50 |
129 |
- |
114 |
8 |
1200/200 |
11 |
8 |
- |
- |
* 标称行程是在 0~150V 的驱动电压下的位移行程;对于高可靠的长期使用,建议驱动电压在 0~120V。选择闭环控制,线性度、重复定 位精度高。安装预紧力一般不超过出力的 20%。参数、尺寸可根据客户要求定制。
|
|
||||||||||
应用案例

|
PCR检测
|
笼式结构
|
低温真空
|
|
导光板模具精密撞点设备
|
3D光纤端面检测/光学移相
|
振动激励
|
|
锡膏厚度检测
|


