
XD780 系列大负载压电纳米定位台可实现一维 X 向 运动,有 50μm、150μm 和 200μm 三种行程可选。 平台内部采用无摩擦柔性铰链导向机构,一体化的 结构设计。内置高性能压电陶瓷,可实现 200μm 位移。闭环版本全桥设计避免了温度的漂移,确保 了纳米级定位精度。
产品特点

|
|
|
|
|
|
|
|
|
|
|
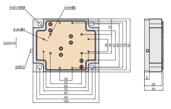
XD780.50
|
XD780.150/200
|
带载阶跃时间 XD780.50S 负载5kg(1V)闭环上升的阶跃时间为15ms。
|
|
闭环曲线 -XD780.150S
|
Z向多头物镜调焦
|
Z向多头物镜调焦
|
典型应用

|
|
|
|
|
|
|
|
|
|
| 技术参数 | |||||
|
型号 |
尾缀S-闭环 |
XD780.50S |
XD780.150S |
XD780.200S |
单位 |
|
运动自由度 |
X |
X |
X |
|
|
|
驱动控制 |
1路驱动,1路传感 |
1路驱动,1路传感 |
1路驱动,1路传感 |
|
|
|
标称行程范围(0~120V) |
40 |
120 |
160 |
μm±10% |
|
|
Max.行程范围(0~150V) |
50 |
150 |
200 |
μm±10% |
|
|
驱动形式 |
直驱机构式 |
放大机构式 |
放大机构式 |
|
|
|
传感器类型 |
SGS/- |
SGS/- |
SGS/- |
|
|
|
分辨率 |
2/0.5 |
5/1.5 |
7/2 |
nm |
|
|
线性度 |
0.01/- |
0.03/- |
0.05/- |
%F.S. |
|
|
重复定位精度 |
0.02/- |
0.01/- |
0.02/- |
%F.S. |
|
|
承载能力 |
水平安装 |
5 |
5 |
5 |
kg |
|
立式安装 |
0.05或5 |
0.05或5 |
0.05或5 |
||
|
倒置安装 |
5 |
5 |
5 |
||
|
空载谐振频率 |
2200 |
760 |
700 |
Hz±20% |
|
|
带载谐振频率@5kg |
160 |
100 |
85 |
Hz±20% |
|
|
阶跃时间 |
15@5kg(1V)/7.5 |
30/4 |
50@5kg(1V)/10 |
ms±20% |
|
|
静电容量 |
10.2 |
27.2 |
27.2 |
μF±20% |
|
|
材质 |
钢、铝 |
钢、铝 |
钢、铝 |
|
|
|
重量(含线) |
450 |
1000 |
<1051 |
g±5% |
|
不同安装方向对应不同负载能力
| 安装方向 |
水平安装 |
立式安装-方向1 |
立式安装-方向2 |
| 示意图 |
![]() |
![]() |
![]() |
![]() |
![]() |
![]() |
| 安装方向 |
立式安装-方向3 |
立式安装-方向4 |
倒置安装 |
| 示意图 |
![]() |
![]() |
![]() |
![]() |
![]() |
![]() |
|
| 备注 |
请结合安装方式确定对应负载上限,避免负载过大导致机构受损进而影响精度 |
||
|
|
|
||||||||||||||||
应用案例

|
硬盘测试
|
显微镜探针校准
|
迈克尔逊干涉仪
|


