邮件: info@coremorrow.com
|
电话: 0451-86268790
中文
|
English
产品首页
压电陶瓷元件
压电陶瓷促动器
压电平移台
压电扫描台
压电偏摆台
压电控制器
压电马达
压电马达控制器
高精度测微仪/传感器
压电陶瓷片
超声/单层压电陶瓷
压电剪切片/叠堆
压电陶瓷扫描器
MFC压电纤维复合材料
叠堆压电陶瓷
环形叠堆压电陶瓷
柱形压电促动器
环形压电促动器
机构放大式促动器
一维压电纳米定位台
二维压电纳米定位台
三维压电纳米定位台
快速刀具定位器
压电宏微复合台
压电物镜定位器
一维中空式压电扫描台
二维中空式压电扫描台
三维中空式压电扫描台
压电显微扫描台定制
压电快反镜/偏转镜
压电偏摆台
压电旋转台
六自由度并联系统
产品配件
模块化压电陶瓷驱动电源
小体积压电控制器
集成式压电控制器
压电变形镜控制器
功率放大器
压电螺钉/平台
直线压电马达
角度压电马达
电容测微仪
电感测微仪
激光测微仪
产品应用
半导体技术
航天、图像处理、低温真空
生物科技与生命技术
天文、自适应光学
显微与成像
测量/激光技术/光学检测
数据存储技术
精密加工
纳米技术、纳米制造自动化
光电子、通信与集成光学
新药设计与医疗技术
服务中心
产品样册下载
使用手册下载
软件下载
压电技术
定制服务
新闻动态
荣誉/交流/活动
展会/新品/应用
关于芯明天
关于我们
企业声明
企业文化
历史客户
人才招聘
企业荣誉
联系我们
销售网络
联系我们
在线留言
官方微信
问题反馈
满意度调查
其它 直线 / 角位移压电马达
当前位置:
产品首页
>>
压电马达控制器
>>
其它 直线 / 角位移压电马达
产品介绍
意见反馈
技术参数
编号
21228
单位
运动方向
360°连续旋转 ( 双向 )
速度上限
20
° /s±10%
中心负载能力
5
N±10%
开环分辨率
< 5
μrad±10%
工作温度
0~40
℃ ±10%
质量(不含电缆)
70
g±5%
材质
钢,铝
m±10mm
电缆长度
2
尺寸图 (点击图片可放大查看)
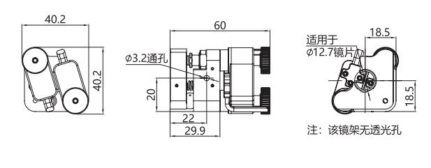
技术参数
编号
22029
单位
运动方向
θx、θy
卡装直径
12.7
mm
灵敏度
0.7
μrad
调节范围
±3.5
°
尺寸图 (点击图片可放大查看)
技术参数
编号
22053
单位
运动方向
X、Y、Z、θz
直线行程
25/ 轴
mm
旋转行程
360
°
尺寸图 (点击图片可放大查看)
技术参数
编号
22060
单位
运动方向
X、Y
直线行程
100/ 轴
mm
尺寸图 (点击图片可放大查看)
客户类别:
经销商
最终用户
客户类型:
企业
高校
研究所
顾客单位名称:
顾客单位所在城市:
您的联系方式:
联系人:
手机:
电话:
邮箱:
QQ:
(为方便我们对您的意见进行跟踪反馈,请务必填写真实有效的联系方式)
反馈产品类型:
请选择类别
压电陶瓷
压电陶瓷促动器
压电平移台
中空式压电扫描台
压电物镜驱动器
快速刀具定位器
电容测微仪
电感测微仪
激光测微仪
其他产品
型号:
反馈问题:
性能问题
外观问题
配件问题
软件问题
留言内容:
验证码:
看不清?
产品首页
|
产品应用
|
服务中心
|
新闻动态
|
关于芯明天
|
联系我们
微信公众平台
扫一扫, 获取芯明天更多信息
地址:黑龙江省哈尔滨市南岗区学府路191号创业孵化产业园I2栋1层
电话:0451-86268790
压电 · 纳米 · 运动
Copyright @ 版权所有 哈尔滨芯明天科技有限公司
黑ICP备16009173号-1
纳米定位
纳米定位工作台
压电陶瓷控制器
压电陶瓷驱动电源
压电陶瓷