
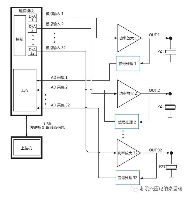
32通道E82.C32K系列压电陶瓷控制器,具有USB通信接口,实现与上位机的实时通信。可通过上位机控制32路电压输出,并通过AD读取实时电压,支持上位机软件二次开发。上位机通信软件可设置电压参数。
特点
32 通道
平均电流达13mA/通道
USB通信
带宽可达1kHz
支持二次开发
面板介绍
原理框图
技术参数
型号:E82.C32K
功能:压电控制器
输出电压范围(V):0~100
通信接口:USB
峰值电流(mA):170/通道
平均电流(mA):13/通道
放大器带宽(Hz):1k/通道
输出纹波电压(mVpp):10/通道
工作温度范围(℃):0~50
过温保护范围(℃):70±5 压电控制器停止工作
过温保护恢复(℃):60±5
供电电源:220VAC
控制输出连接器:D-SUB
尺寸(mm):280×370×175
重量(kg):1


